This double ended shear beam load cell is designed for center mounting and double link loading. This makes the load cell ideal for truck scales. This load cell is NTEP certified as legal for trade and is suitable for use in legal-for-trade weighbridge truck scales.
| Capacity (Pounds) |
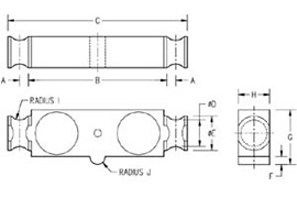
A (mm) |
B (mm) |
C (mm) |
D (mm) |
E (mm) |
F (mm) |
G (mm) |
H (mm) |
I (mm) |
J (mm) |
|---|---|---|---|---|---|---|---|---|---|---|
| 50,000 SE | 13 | 159 | 210 | 41 | 51 | 13 | 76 | 51 | 13 | 13 |
| 50,000 LE | 19 | 216 | 292 | 43 | 56 | 13 | 89 | 51 | 21 | 13 |
| 60,000 | 19 | 216 | 292 | 43 | 56 | 13 | 89 | 51 | 21 | 13 |
| 75,000 | 19 | 216 | 292 | 43 | 56 | 13 | 89 | 51 | 21 | 13 |
| 125,000 | 25 | 267 | 368 | 62 | 81 | 21 | 119 | 74 | 25 | 38 |

The 400 Double-Ended Shear Beam Load Cell Transducer stands as an exceptional solution tailored explicitly for truck scales.
Its design and functionality make it the ideal choice for weighbridge truck scales, ensuring precise and accurate weight measurements for legal-for-trade applications.
| Capacities (pounds) | 50,000 lbs to 125,000 lbs capacity load cell |
|---|---|
| Safe Overload | 150% full scale safe overload |
| Ultimate Overload | 300% full scale ultimate overload |
| Full Scale Output | 3.0 mV/V +/- 0.25% FS |
| Maximum Excitation | 10 volts DC |
| Operating Temp | -40°C to +80°C |
| Compensated Temp | -10°C to +40°C |
| Sealing Standard | IP-67 protected against high pressure jets of water |
| Non Linearity | +/- 0.03% full scale |
| Material | 4140 / 4340 High Strength Alloy Steel |
| Protective Coating | Electro-less nickel – industrial high phosphorous, corrosion and chip resistant |
| Bridge Resistance | 700 Ohm |
Please click on the following links to download or view additional information: