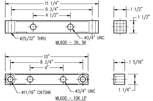
The ML-0600 is an extremely low profile load cell transducer that comes with countersunk fastening holes making it ideally suited for rigid mount applications in tank and hopper batch weighing and vehicle weigh scales. The 5K and 10K capacities are standard and a 20K option is available.


The ML-0600 Low Profile Double-Ended Shear Beam Load Cell Transducer is a testament to precision engineering, offering versatility, accuracy, and reliability across a spectrum of industrial weighing applications.
| Capacities (pounds) | 5,000 lbs and 10,000 lbs load cell capacities |
|---|---|
| Safe Overload | 150% full scale safe overload |
| Ultimate Overload | 300% full scale ultimate overload |
| Full Scale Output | 3.0 mV/V +/- 0.25% FS |
| Maximum Excitation | 10 volts DC |
| Operating Temp | -40°C to +80°C |
| Compensated Temp | -10°C to +40°C |
| Sealing Standard | IP-67 protected against high pressure jets of water |
| Non Linearity | +/-0.1 full scale |
| Material | 4140 / 4340 High Strength Alloy Steel |
| Protective Coating | Electro-less nickel – industrial high phosphorous, corrosion and chip resistant |
| Bridge Resistance | 700 Ohm |
Please click on the following links to download or view additional information: